Skip to main content

Services

Six Ways We Turn
Your Concept into a File.

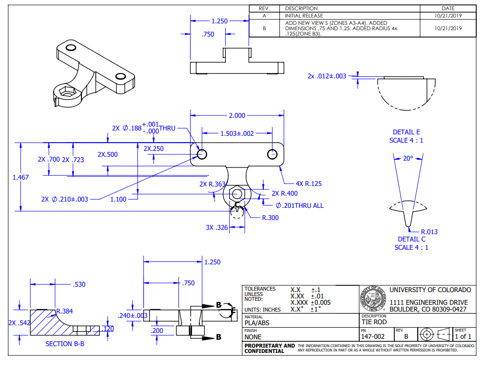
Professional 3D printing design services for every stage — from rough sketches to production-ready SolidWorks files, STL exports, and technical drawings.

Services

Six Ways We Turn
Your Concept into a File.